最新文章 |
铝制内浮顶技术在常压储罐上的应用介绍
摘要:介绍了铝制内浮顶技术的工作原理、结构和技术特点,阐明该技术是一种比较理想的节能、环保产品,并通过在我名扬公司常压储罐上的应用,提出了存在的问题及改进建议。关键词:铝浮盘、技术、常压储罐、应用、环保。
随着科学技术的不断进步和人们节能、环保意识的增强,如何减少储罐油品的蒸发已越来越受到人们的重视。近年来,国内许多的科研单位、制造厂家与使用单位相互结合,开发、研制储罐内浮顶装置并被推广应用。
实践证明:安装内浮顶后,对降低储罐油品蒸发损耗、降低罐区上空可燃气体浓度、消除由于可燃气体浓度超标而发生爆燃的不安全因素、减少环境污染,起到了明显的作用。铝制内浮顶就是其中之一。
2 铝制内浮顶技术介绍
储罐分拱顶和浮顶两种,浮顶又分为内浮顶和外浮顶。铝制内浮顶是内浮顶的一种新的结构形式,是近二十几年来在国内外石化行业中应用较为普遍的一种节能产品,日渐成为一种较为成熟的技术,得到了石化储运界的高度重视,在油品储运中发挥出了巨大的潜能,取得了满意的效果。
其显著特点是:制造成本低、施工周期短、重量轻、施工动火少。特别适合于旧罐改造。铝制内浮顶已先后在我公司24台常压储罐上安装使用,取得较好的经济效益和环保效益。下面,就以连云港名扬石化设备制造公司生产的铝浮盘为例作一介绍。
2.1 铝制内浮顶工作原理
当油品进罐后,油品充满在罐底、罐壁与内浮顶之间,当油品液位高度达到淹没浮筒的1/2时,内浮顶便在浮筒产生的浮力作用下漂浮在油面上,随着油面升降而升降,有效地减小了油品上部的气相空间,同时,始终将油品与空气保持隔离状态,从而大量减少了油品的蒸发损耗,节约了能源,减少了环境污染,提高了储罐使用的安全性。
2.2 铝制内浮顶结构
铝制内浮顶的全部零件为LF21防锈铝合金材料,具有较好的强度和优越的防腐性能。其骨架与浮筒经冲压成型联成一体,通过螺栓连接将骨架连接成稳定的三角形结构,铝板通过铆接固定在骨架上(整体结构见图1)。整个浮盘重量较轻,安装方便,动火少。下面就铝制内浮顶的主要特点简述如下:
图1 铝制内浮顶的整体结构
1-储罐 2-铝盖板 3-浮筒 4-中心通气阀 5-导静电电缆 6-人孔 7-排液管 8-防转装置 9-舌形橡胶带 10-支腿
(1)铝制内浮顶骨架采用专用特种截面型材挤压成型(见图2)。该截面型材上部为“T”形
图2 骨架截面图
结构,主要承担浮顶骨架结构的联结,起结构元件作用;下部型材为圆环结构,两端封闭后起浮力元件作用。结构元件和浮力元件联成一体,合二为一,优化了结构,节约了材料。
(2)密封的铝制浮筒,相当于钢制内浮顶的浮船作为浮力构件。其封头采用浅拉伸成形、内压封口后端头封焊技术。因而,浮筒无纵向焊缝,焊接方式合理。其化学性能稳定,不易被氧化和腐蚀,从而有效地保证了产品质量,延长了使用寿命。浮筒在浮顶下部均匀分布,其浮力与浮盘自重之比大于2∶1,即使有个别浮筒破损后渗漏也不会影响浮盘的正常工作。
(3)铝制内浮顶允许罐壁半径偏差为±80mm,且防转装置采用了固定钢丝绳支撑的软式结构,使铝浮盘自由的漂浮在油面上,缓解了浮顶径向压力的不均衡状态,有效地防止了卡盘现象。
(4)铝制浮盘的密封结构。密封型式有囊式密封和舌型密封二种。密封带安装在铝浮盘的上部,与油品液面有一定距离,使其不与油品接触,既确保了浮顶升降畅通,又成功的解决了钢制浮盘密封浸没在油品中而产生溶蚀变形、老化、破损的问题。从而有效地保证了铝浮盘的密封效果。
(5)浮盘中心板与通气阀合二为一,当浮盘下降至检修档时,通气阀自动开启;浮盘上升时,通气阀自动关闭,满足浮盘运行的工艺要求,同时结构紧凑合理,平衡性能好。
2.3 铝制内浮顶主要技术参数
(1)浮顶自重与浮力比为1:2。
(2)储存介质种类:对铝合金无腐蚀的高挥发性油品及化工品。
(3)接地电阻:<10Ω。
(4)降耗率:>95%。
(5)所有浮筒经无损探伤,并经0.2MPa/cm2气密性水压试验。
3 铝浮顶在我公司的应用情况
铝浮顶在我名扬公司共有24台,在降低油品蒸发、节能、环保等方面起到了很好的作用。在安装简便、重量轻、动火少、成本低、施工周期短等方面,是钢制内浮顶所不可比拟的。以一台3000m3罐为例,由于浮盘安装大部分为铆接,动火工作量比钢制浮盘安装要降低95%以上,满足旧罐改造动火少的要求。其施工周期10人只需一周,而钢制浮盘需一个月。但在使用过程中,仍有着一定的局限性,有待进一步的改进。主要存在以下几个方面的问题。
3.1 密封损坏
铝浮盘的密封包括周边密封和盖板搭接处密封,其对铝浮盘的正常使用起着至关重要的作用。
(1)周边密封。其形式有舌形、囊式和唇式。我名扬公司主要以前两种为主。密封的材料为丁晴橡胶,虽然没有直接浸入油品,但油品与浮盘之间的油气仍然对密封橡胶带产生腐蚀作用。浮盘升降频繁,运行过程中,受到罐壁的磨擦和刮伤。因此,密封橡胶带在运行一定的时间后存在老化和撕裂的问题。
(2)盖板搭接处密封。其材料为耐油橡胶带。由于油品搅动的影响,密封胶带经常与油品接触,受到油品的侵蚀,容易老化、失效。特别是在罐509#、510#等轻污油罐中,含气量大且含硫化氢腐蚀性介质,由于气体的作用,对浮盘产生冲击,使浮盘摆动,造成盖板搭接处螺栓易松动。气体携带腐蚀性介质冲击盖板搭接处密封,使密封失效。从而,腐蚀性介质从密封处翻至浮盘上面,越积越多,造成浮盘塌陷,同时,罐顶油味浓,污染了环境。
3.2 浮筒端板拉裂
1997年6月,231#罐(新二垅航煤罐)新安装铝浮盘,其支腿安装于浮筒的端板上,使浮筒既为浮力元件,又是受力元件,在清罐检修时,整个浮盘的重量全部由安装在端板上的支腿支撑,加之油气压力及油品搅拌的冲击,把浮盘向上顶,造成一部分支腿上下跳动。最终导致浮筒端板撕裂,浮筒内进油,浮盘浮力下降。为了解决这一问题,在结构上进行了改进,将支腿通过夹板安装在浮筒上部的“T”形型钢上。经使用基本解决了这一问题。
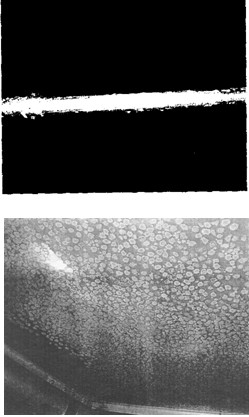
图3 重整409#、410#、411#罐铝浮盘腐蚀情况
3.3 铝材的腐蚀
铝浮盘的材料全部用LF21防锈铝材。该材料对铁锈和水构成的电化学腐蚀抵抗能力较差。
重整409#、410#、411#罐新上铝浮盘投用前,其支腿表面出现很多铝的氧化物堆,铝板表面发花、脱皮(如图3所示)。经过对材质进行鉴定、
分析,没有质量问题。
主要原因是:用水冲洗罐底杂物时,锈水溅到支腿及铝板表面,通过放置在空气中一段时间(罐完工后当时没有投用),锈水溅到的位置形成微电池,从而产生电化学腐蚀。
4 几点建议
(1)建议对罐壁作内防腐,以减少罐壁的毛刺,尽可能减少密封橡胶带的磨损。
(2)对含气量较大的油品,不适应安装铝浮盘。针对509#罐、510#罐,我公司去年将其更换为钢浮盘。
(3)油罐属现场制作的非标设备,同一容积的罐,其直径是不一样的。因此,在安装内浮盘之前,建议施工单位及使用单位必须进罐现场测绘,根据实际尺寸制作铝浮盘。以避免结构不匹配而造成卡盘、偏盘或密封不严等问题。
(4)对铝材应作进一步的改进,防止电化学腐蚀的发生。同时,使用单位或施工单位在清洗罐底时,应尽可能的避免水滴的飞溅。
总之,铝浮盘是储罐一种比较理想的节能、环保产品,对铝浮盘技术的进一步研究、发展与推广应用,将成为必经趋势。


